
PRODUCT我們相信好的產品是信譽的保證!
咨詢熱線:
028-87954548
ARTICLES致力于成為更好的解決方案供應商!
產品中心/ PRODUCTS
產品型號:
更新時間:2024-08-21



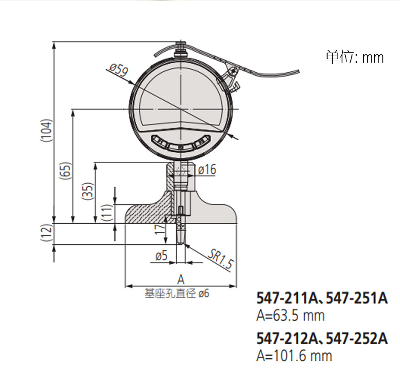
三豐Mitutoyo千分數顯深度計547-251
特點
• absolute digimatic 深度尺可在電池用盡 前保持原有的原點設置。
• 安裝延長桿可擴大測量范圍。
• 基座底面經過硬化, 研磨和拋光處理,具 有很高的平面度。
• 背置活塞型指針式千分表可從正上方的 垂直表盤進行讀數 (7231, 7237, 7238)。
• 帶有 spc 數據輸出 (547 系列)
參數
度 : 參見性能參數 (數顯型號不包括量化偏差)
分辨率 : 0.01mm 型號 0.01mm
0.001mm 型號 0.001mm/0.001mm
.0005'/0.01mm 型號 .0005'/0.01mm
.00005'/0.001mm 型號 0005'/.0001'/.00005'/ 0.01mm/0.001mm
基座面平面度 : 5µm 或 2µm
測頭 : 硬質合金球型測頭或針型測頭
測力 : 1.5n
顯示 : 液晶顯示
刻度類型 : absolute 靜電線性編碼器
大響應速度 :
電池 : sr44 (1 個), 938882
電池壽 : 正常使用情況下約為 7000 小時
帶表型參數
度: 參見性能參數
表盤讀數值: 0.01mm 或 .001'
基座面平面度: 5μm 或 2μm
測頭: 硬質合金球型測頭(測頭: 7210, 7222)
測力: 1.4n(2.5n: 7213, 7214, 7217s, 7218s)
數顯型功能
原點設置/ 預置 、調零、go/±ng 判斷、計算方向轉換、電源開/ 關、簡化計算 、功能鎖定、 數據保持、 數據輸出、英制/ 公制轉換(英制/ 公制型)
警告: 低電壓、計算錯誤、溢流錯誤、公差限設置錯誤
數顯型選件
905338: spc 電纜 (1m)
905409: spc 電纜 (2m)
02azd790f: 用于u-wave 的spc 電纜 (160mm)
三豐Mitutoyo千分數顯深度計547-251
性能參數
公制型 數顯型

掃碼加微信