
PRODUCT我們相信好的產品是信譽的保證!
咨詢熱線:
028-87954548
ARTICLES致力于成為更好的解決方案供應商!
產品中心/ PRODUCTS
產品型號:
更新時間:2024-08-16三豐Mitutoyo指針式百分表2046A 2044A










三豐Mitutoyo指針式百分表2046A 2044A

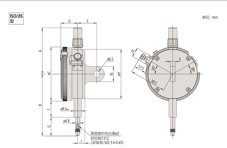
● 分度值為0.01mm的標準刻度盤帶有一個外徑為?57mm的表圈。
● 新一代指示表具有更好的耐環境性,表蒙多涂層處理,抗污和抗劃傷能力得到了大幅的提升。
● 表圈和表蒙使用O型圈緊密裝配,可保證表盤面有效防水及防油。
● 軸套、測桿經過高強度淬火處理,適于高強度測量。
● 不銹鋼冠形齒輪不易損壞和變形。
日本三豐Mitutoyo:百分表,千分表,指示表,指示量表,指針表,指針百分表,指針千分表,防水百分表,防油百分表,防震百分表,單轉百分表,單轉千分表,小型百分表,小型千分表,小表盤百分表,小表盤千分表,輕量型百分表,輕量型千分表,0-1千分表,0-5千分表,0-3百分表,0-5百分表,0-10百分表,0-20百分表,0-30百分表,0-50百分表,0-80百分表,0-100百分表,峰值保持百分表,零位可調百分表,背置活塞型百分表,
標準型指針式指示表
分度值0.01 mm
2046A,2046AB,
2046A-09,2046AB-09,
2047A,2047AB,
2902A,2902AB,
2310A-10,2310AB-10,
2044A,2044AB,
2044A-09,2044AB-09,
2045A,2045AB,
掃碼加微信