
PRODUCT我們相信好的產品是信譽的保證!
咨詢熱線:
028-87954548
ARTICLES致力于成為更好的解決方案供應商!
產品中心/ PRODUCTS
產品型號:
更新時間:2024-08-21













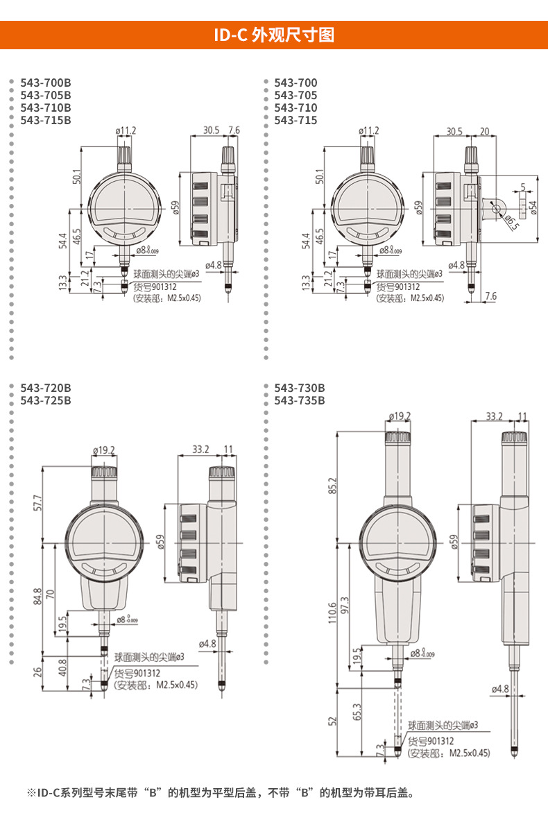
三豐Mitutoyo數顯千分表543-735B
產品簡介:
1、使測量作業更流暢、品質更高的新一代ID系列。支持雙向串行通信,有助于提高工作效率,滿足更高精度的測量需求,使測量作業更順暢的各種實用功能。
2、可實現更高精度的測量分辨力0.5μm
ID-C的分辨率均從以往的0.001mm提高到了0.0005mm。此外,還可切換分辨力*。
*ID-C分辨力0.01mm機型除外。
3、不錯過校準時機,校準時間提示功能。到了設定的校準時間時,液晶顯示屏上會顯示圖標進行提示。有助于對ID-C進行準確的精度管理。
4、以出色的可視性提高工作效率,大屏顯示和模擬欄。采用各種信息一目了然的大屏顯示。配備模擬欄,可輕松掌握公差接近量等細微動作。
5、設定常用功能,實現輕松操作3個大按鈕。采用3個大按鈕,大幅提高了可操作性。還可在各個按鈕中任意設定常用功能。
6、提高測量工作效率,簡易計算功能。可實時顯示測桿移動量乘以計算系數的結果。減少了使用夾具等進行測量的麻煩。
7、三豐制造的測量工具支持雙向串行通信。可與PC連接和聯動,大幅度提高作業效率。
ID-C是支持雙向串行通信的測量工具*。可通過USB輸入工具等輕松與PC連接和聯動,除了以往的收集測量數據外,還可控制和設定ID-C主機,通過PC端批量執行收集工具信息等操作,大幅提高作業效率。
•進行雙向串行通信旱,需要使用選件中的連接線和測量數據輸入裝置。
•使用的PC需要按裝USB-ITPAK V3.0.裝夾套筒直徑:Φ8mm
測頭(硬*質合金):按裝部螺紋M2.5*0.45
防護等級:相當于IP42
供電方式:鋰金屬電池CR2032 1個
電池壽命:正常使用:約2.5年 連續使用:約2700小時
位置檢測方式:靜電電容型ABSOLUTE直線柵尺
使用溫度范圍:0°C~40°C
儲存溫度范圍:-10°C~60°C
報警顯示:各種設定錯誤、傳感器異常、顯示溢出
輸入輸出:Digimatic S1(雙向串行通信)
OPTION測量數據輸入裝置:
測量數據輸入裝置IT-020U,貨號:264-020
測量數據輸入裝置USB直連輸入工具USB-ITN-SF,貨號:06AGQ001F
U-WAVE(使用U-WAVE時非雙向串行通信,敬請注意)
可以按裝U-WAVE-TM/TMB的裝態下,安裝提升桿等選件。
標準用U-WAVE-T專用連接線:貨號02AZG011
連接裝置(ID-C系列12.7mm型使用):貨號02AZF700
腳踏開關用U-WAVE-T專用連接線:貨號02AZG021
發送裝置(U-WAVE-TM)
蜂鳴器型貨號:264-623
防水、防塵型貨號:264-622
發送裝置(U-WAVE-TMB)
蜂鳴器型貨號:264-627
防水、防塵型貨號:264-626
連接線(1m):06AGL011
連接線(2m):06AGL021
U-WAVE-TM/TMB安裝板:
ID用安裝板:02AZF670
三豐Mitutoyo數顯千分表543-735B
產品規格:公制型
貨號 | 型號 | 測量范圍(mm) | 分辨力(mm) | 測力(N) | 質量(g) |
分辨力0.0005/0.001/0.01mm(可切換) | |||||
543-700 | ID-C0512NX | 12.7 | 0.0005/0.001/0.01mm (可切換) | 1.5以下 | 175 |
543-700B | ID-C0512NXB | 165 | |||
543-705 | ID-C0512CNX | 0.7、0.6、0.4以下 | 170 | ||
543-705B | ID-C0512CNXB | 160 | |||
543-720B | ID-C0525NXB | 25.4 | 1.8以下 | 195 | |
543-730B | ID-C0550NXB | 50.8 | 2.3以下 | 260 | |
分辨力0.01mm型 | |||||
543-710 | ID-C1012NX | 12.7 | 0.01mm | 0.9以下 | 170 |
543-710B | ID-C1012NXB | 160 | |||
543-715 | ID-C1012CNX | 0.5、0.4、0.3、0.2以下 | 165 | ||
543-715B | ID-C1012CNXB | 155 | |||
543-725B | ID-C1025NXB | 25.4 | 1.8以下 | 190 | |
543-735B | ID-C1050NXB | 50.8 | 2.3以下 | 245 | |
Mitutoyo
公/英制型
貨號 | 型號 | 測量范圍(mm) | 分辨力(mm) | 測力(N) | 備注 |
分辨力0.0005/0.001/0.01mm(可切換) | |||||
543-701 | ID-C0512MNX | 12.7 | 0.0005/0.001/0.01mm (可切換) | 1.5N以下 | - |
543-701B | ID-C0512MNXB | - | |||
543-702 | ID-C0512ENX | - | |||
543-702B | ID-C0512ENXB | - | |||
543-706 | ID-C0512CMNX | 0.4N-0.7N | 低測力 | ||
543-706B | ID-C0512CMNXB | 低測力 | |||
543-707 | ID-C0512CENX | 低測力 | |||
543-707B | ID-C0512CENXB | 低測力 | |||
543-721B | ID-C0525MNXB | 25.4 | 1.8N以下 | - | |
543-722B | ID-C0525ENXB | - | |||
543-731B | ID-C0550MNXB | 50.8 | 2.3N以下 | - | |
543-732B | ID-C0550ENXB | - | |||
分辨力0.01mm型 | |||||
543-711 | ID-C1012MNX | 12.7 | 0.01 | 0.9N以下 | - |
543-711B | ID-C1012MNXB | - | |||
543-712 | ID-C1012ENX | - | |||
543-712B | ID-C1012ENXB | - | |||
543-716 | ID-C1012CMNX | 0.2N-0.5N | 低測力 | ||
543-716B | ID-C1012CMNXB | 低測力 | |||
543-717 | ID-C1012CENX | 低測力 | |||
543-717B | ID-C1012CENXB | 低測力 | |||
543-726B | ID-C1025MNXB | 25.4 | 1.8N以下 | - | |
543-727B | ID-C1025ENXB | - | |||
543-736B | ID-C1050MNXB | 50.8 | 2.3N以下 | - | |
543-737B | ID-C1050ENXB | - | |||
掃碼加微信